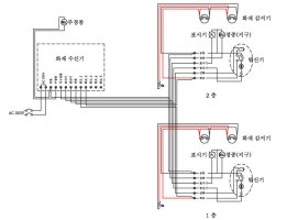
소화전함 소화전 설치기준
페이지 정보
작성자 최고관리자 작성일16-01-01 08:24 조회90회 댓글0건관련링크
본문
소화전함
비교 분석~궁금한 점을 해결해 드립니다. 전문가의 선택 방법과 많은 분들의 리뷰가 준비되어 있으며, Q&A만 보셔도 선택의 감이 오실 겁니다."소화전함" 관한 정리!성능, 디자인, 비용, 용도, 기능, 취향 등등... 각종 분류별로 자세한 내용. 부족하다면 언제든 물어보세요!
지하주차장 소화전함 내부 방청도장 미시공(도장공사) 하자로 주택법상 기능상 하자에 속함 <하자 분석> 지하주차장에 설치되어 있는 소화전함 내부에 방청도장이 미시공 되어 향후 소화전함의
취급하는 소방자재 중의 하나인 소화전함에 대해 알아보겠습니다. 소화전함은 모든 건물에 설치하며, 크게 옥내소화전함과 옥외소화전함으로 나누어 집니다. 모은 소화전함은 건물의 내,외부에 설치하는
취급하는 소방자재 중의 하나인 소화전함에 대해 알아보겠습니다. 소화전함은 모든 건물에 설치하며, 크게 옥내소화전함과 옥외소화전함으로 나누어 집니다. 모은 소화전함은 건물의 내,외부에 설치하는
경종, 발신기, 단자대 등을 설치하고 하단부에는 앵글밸브, 소방호스, 분사 관창, 호스 걸이 등 소방 장비를 보관하는 다리 부착형 소화전함입니다. ※울산소방자재문의는 ※ ***)****-**** www.119mart.net
일본에서 온 옛날 목제 소화전함으로 인테리어나 사진촬영 소품으로 좋을듯. 가로*세로*높이:58*31*80cm 가 격:22만원(배송비포함)
[흥부산업] 옥내소화전함 규격,발신기함,발신기외함케이스,방수구함,스텐소화전함,스틸소화기함,옥외소화전함,수신기케이스,스텐레스커버,스텐외함,전기케이스 제작 공장 / 현대전기회사에 납품할
소화전함
옥내소화전함 규격 소화전함 규격 소방자재 소화기함 지상 소화전 양수기함 중앙cmi 대한sm 방수기구함 소화전 설치기준 옥내소화전함 옥외소화전함 소방호스 소화전 표지판 소화전함 제작업체 수신기 소화전 사용법
비교 분석~궁금한 점을 해결해 드립니다. 전문가의 선택 방법과 많은 분들의 리뷰가 준비되어 있으며, Q&A만 보셔도 선택의 감이 오실 겁니다."소화전함" 관한 정리!성능, 디자인, 비용, 용도, 기능, 취향 등등... 각종 분류별로 자세한 내용. 부족하다면 언제든 물어보세요!
지하주차장 소화전함 내부 방청도장 미시공(도장공사) 하자로 주택법상 기능상 하자에 속함 <하자 분석> 지하주차장에 설치되어 있는 소화전함 내부에 방청도장이 미시공 되어 향후 소화전함의
취급하는 소방자재 중의 하나인 소화전함에 대해 알아보겠습니다. 소화전함은 모든 건물에 설치하며, 크게 옥내소화전함과 옥외소화전함으로 나누어 집니다. 모은 소화전함은 건물의 내,외부에 설치하는
취급하는 소방자재 중의 하나인 소화전함에 대해 알아보겠습니다. 소화전함은 모든 건물에 설치하며, 크게 옥내소화전함과 옥외소화전함으로 나누어 집니다. 모은 소화전함은 건물의 내,외부에 설치하는
경종, 발신기, 단자대 등을 설치하고 하단부에는 앵글밸브, 소방호스, 분사 관창, 호스 걸이 등 소방 장비를 보관하는 다리 부착형 소화전함입니다. ※울산소방자재문의는 ※ ***)****-**** www.119mart.net
일본에서 온 옛날 목제 소화전함으로 인테리어나 사진촬영 소품으로 좋을듯. 가로*세로*높이:58*31*80cm 가 격:22만원(배송비포함)
[흥부산업] 옥내소화전함 규격,발신기함,발신기외함케이스,방수구함,스텐소화전함,스틸소화기함,옥외소화전함,수신기케이스,스텐레스커버,스텐외함,전기케이스 제작 공장 / 현대전기회사에 납품할
소화전함
옥내소화전함 규격 소화전함 규격 소방자재 소화기함 지상 소화전 양수기함 중앙cmi 대한sm 방수기구함 소화전 설치기준 옥내소화전함 옥외소화전함 소방호스 소화전 표지판 소화전함 제작업체 수신기 소화전 사용법
댓글목록
등록된 댓글이 없습니다.


