둥근머리볼트 둥근머리볼트 영어
페이지 정보
작성자 최고관리자 작성일16-01-01 16:55 조회76회 댓글0건관련링크
본문
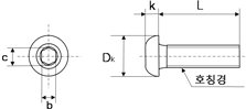
둥근머리볼트
관련 가격, 종류, 기능(성능), 용도, 각종 분류 별로 ... 선택에 도움을 드립니다.물론 비슷한 또한 다른 방법으로. 둥근머리볼트에 대해 알고 계신 것보다 많은 정보가 궁금하시죠.더 궁금하신 것은 언제든 물어보세요.궁금한 점을 해결해 드립니다. 전문가의 선택 요령과 많은 분들의 후기가 준비되어 있으며, Q&A만 보셔도 선택의 감이 오실 겁니다.
[게시물 바로가기] 안녕하세요.단암시스템즈(주) 박상진 이라고 합니다.혹시 "샘스 십자둥근머리볼트 2장"에 대한 카달로그가 별도로 있으시면 받아 볼 수 있을까요?
( 색상 : 황색 / 재질 : 철 ) 둥근머리 샘스 볼트 입니다. 스프링 와샤와 평와샤가 일체형이라 작업이 용이 합니다.
둥근머리볼트 규격 다양하게 살펴보자~ 둥근머리볼트 필요해서 여기에서 찾아보았습니다~ 둥근머리볼트 필요하신 분들이 참고하시면 좋을 것 같은데요 둥근머리볼트 정보들 꼼꼼하게 정리해뒀으니까
많습니다. 각 재질별 모양별로 에이비씨화스너의 렌지볼트를 정리하여 올려드립니다. SCM435 둥근머리 렌치볼트 (12.9) HEX SOCKET BUTTON HEAD CAP SCREW (SCM435) 마루렌지, 우산머리머리 렌지볼트라고도 부르죠.
http://www.sobit.co.kr/front/php/product.php?product_no=1493&main_cate_no=214&display_group=1 재질 : stainless 필수옵션 6mm x 12 (대형도브테일지그를 프로파일에 고정시 사용) 6mm x 15
육각볼트는 스페너로 조여주는 볼트입니다. 엄청자주쓰이진않아요.^^ 3.둥근머리볼트 (십자둥근머리볼트) (육각둥근머리볼트) 둥근머리볼트는 자주쓰이는 볼트중에 하나에요. 사진이왜두개냐면 머리부분에 조이는
둥근머리볼트
사각목 둥근머리볼트 둥근머리 피스 둥근머리 접시볼트 접시머리 볼트 우산머리 볼트 둥근머리 렌치볼트 냄비머리 볼트 트러스머리 볼트 트러스 볼트 렌치볼트 둥근머리볼트 영어 볼트 종류 둥근머리 너트
관련 가격, 종류, 기능(성능), 용도, 각종 분류 별로 ... 선택에 도움을 드립니다.물론 비슷한 또한 다른 방법으로. 둥근머리볼트에 대해 알고 계신 것보다 많은 정보가 궁금하시죠.더 궁금하신 것은 언제든 물어보세요.궁금한 점을 해결해 드립니다. 전문가의 선택 요령과 많은 분들의 후기가 준비되어 있으며, Q&A만 보셔도 선택의 감이 오실 겁니다.
[게시물 바로가기] 안녕하세요.단암시스템즈(주) 박상진 이라고 합니다.혹시 "샘스 십자둥근머리볼트 2장"에 대한 카달로그가 별도로 있으시면 받아 볼 수 있을까요?
( 색상 : 황색 / 재질 : 철 ) 둥근머리 샘스 볼트 입니다. 스프링 와샤와 평와샤가 일체형이라 작업이 용이 합니다.
둥근머리볼트 규격 다양하게 살펴보자~ 둥근머리볼트 필요해서 여기에서 찾아보았습니다~ 둥근머리볼트 필요하신 분들이 참고하시면 좋을 것 같은데요 둥근머리볼트 정보들 꼼꼼하게 정리해뒀으니까
많습니다. 각 재질별 모양별로 에이비씨화스너의 렌지볼트를 정리하여 올려드립니다. SCM435 둥근머리 렌치볼트 (12.9) HEX SOCKET BUTTON HEAD CAP SCREW (SCM435) 마루렌지, 우산머리머리 렌지볼트라고도 부르죠.
http://www.sobit.co.kr/front/php/product.php?product_no=1493&main_cate_no=214&display_group=1 재질 : stainless 필수옵션 6mm x 12 (대형도브테일지그를 프로파일에 고정시 사용) 6mm x 15
육각볼트는 스페너로 조여주는 볼트입니다. 엄청자주쓰이진않아요.^^ 3.둥근머리볼트 (십자둥근머리볼트) (육각둥근머리볼트) 둥근머리볼트는 자주쓰이는 볼트중에 하나에요. 사진이왜두개냐면 머리부분에 조이는
둥근머리볼트
사각목 둥근머리볼트 둥근머리 피스 둥근머리 접시볼트 접시머리 볼트 우산머리 볼트 둥근머리 렌치볼트 냄비머리 볼트 트러스머리 볼트 트러스 볼트 렌치볼트 둥근머리볼트 영어 볼트 종류 둥근머리 너트
댓글목록
등록된 댓글이 없습니다.

