인버터용접기 인버터용접기 전격방지기
페이지 정보
작성자 최고관리자 작성일16-01-03 16:13 조회49회 댓글0건관련링크
본문
인버터용접기
비교 분석~궁금한 점을 해결해 드립니다. 전문가의 선택 방법과 많은 분들의 리뷰가 준비되어 있으며, Q&A만 보셔도 선택의 감이 오실 겁니다."인버터용접기" 관한 정리!성능, 디자인, 비용, 용도, 기능, 취향 등등... 각종 분류별로 자세한 내용. 부족하다면 언제든 물어보세요!
대폭 향상 안전과 작업성을 고려한 외장형 전격방지기능 계양 인버터 용접기 kns-160st 정면.사이드 모습입니다. 계양 인버터 용접기 kns-160st 정면.후방 모습입니다. 계양 인버터 제품별 사향 및 제품비교
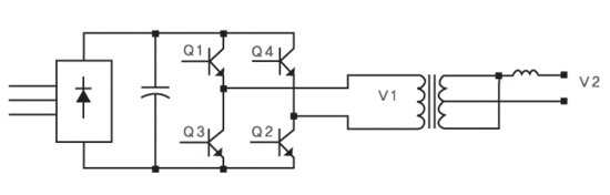
그래프는 실제 단상 인버터 용접기 내 FGA6540WDF 및 FGA6560WDF 의 열 성능과 전력 손실 분석을 보여줍니다 . 600V 40A IGBT 600V 60A IGBT 작동 주파수를 높이면 인버터 용접기를 더 작고 가볍게 만들
아니라, 현대 실생활에 꼭필요한 계양 인버터 kns-160 st / kns-200st 입니다 kns-200st 모델은 구200a 모델과 같은 용량이며, 같은 제품입니다 계양 dc 아그 용접기의 주괸 특징은 설명 드리겠 습니다.
대폭 향상 안전과 작업성을 고려한 외장형 전격방지기능 계양 인버터 용접기 kns-160st 정면.사이드 모습입니다. 계양 인버터 용접기 kns-160st 정면.후방 모습입니다. 계양 인버터 제품별 사향 및 제품비교
이태리 LINZ사 동체를 사용하고 있습니다. 최대 출력은 10KVA 이구요. 정격 출력은 8.7KVA 입니다. 인버터용접기 200A 사용은 무난하게 사용하실수 있겠습니다. 용접기 사용하면서 고속컷팅기 정도에 전동공구
안녕하세요. 전원생활의 필수품 계양 인버터 용접기 kns-160st 장툴 1. 출장공사에 최적화 된 소령 경량화 2. 강력한 용접 스타트 3. 안정된 제어전원! 4.출력 출력 전류 5. 안전 최우선 "전력방지기능
인버터용접기
인버터란
댓글목록
등록된 댓글이 없습니다.

